我们非常重视您的个人隐私,当您访问我们的网站时,请同意使用的所有cookie。有关个人数据处理的更多信息可访问《隐私政策》
产品特性
• 支持-40V~40V的过压和反压保护以应对汽车传感器应用环境
• 集成C/V电容电压转换电路和24位高精度ADC,可以方便的对电容式压力传感器进行电容量的测量并计算转换到压力。
• 内置基于数字处理器的传感器校准逻辑,可支持客户后标定,支持高达三阶的非线性拟合校准和二阶的温度灵敏度和零点偏置校准
• 校准数据可保存于EEPROM,可多次编程
• 满足LIN总线规范1.3/2.0/2.1
• 专有的OWI通信模式支持传感器组装后标定
• 工作温度范围:-40℃~150℃, 符合AECQ100标准
安全认证
• LIN总线规范LIN1.3/2.0/2.1
应用场景
• 汽车电容式空调压力传感器模组
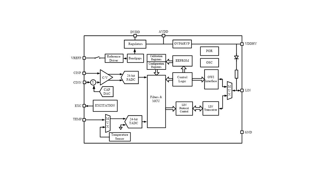
功能框图


如您需要咨询产品更多信息,请点击“hga010手机版下载”,我们将尽快回复您!