High Speed, Reinforced/Basic Isolated Comparator
NSI22C11 is a high-speed isolated comparator with output separated from input based on the NOVOSENSE capacitive isolation technology Adaptive OOK®. The NSI22C11 is an isolated single-ended comparator with both open-drain and push-pull output. The short response time of NSI22C11 makes it highly suitable for over-voltage protection application. The high common-mode transient immunity ensures that the device is able to provide accurate protection even in the presence of high-power switching such as in motor control applications. NSI22C11 have an adjustable input reference threshold from 0.5V to 2V. The reference can be set by an external voltage source or the 100μA internal current source flowing through an external resistor. The fail-safe function (missing VDD1 detection) simplifies system-level design and diagnostics.
Product Features
• Up to 5000Vrms Insulation Voltage
• 3.1V to 27V wide input side power supply
• Adjustable input reference threshold: 0.5V to 2V
• Analog input voltage range: 0V to 2.7V
• Internal threshold reference: 100μA ±2% error (Max)
• Accurate trigger threshold: ±0.25% error (Max)
• Fast propagation time: 0.4μs (Typ)
• High CMTI: 150kV/μs (Typ)
• System-Level Diagnostic Features: VDD1 monitoring
• Operation Temperature: -40°C~125°C
• RoHS-Compliant Packages: SOW8 wide body (SOP8 300mil)
Safety Certificate
• UL recognition: 5000Vrms for 1 minute per UL1577
• CQC certification per GB4943.1
• CSA component notice 5A
• DIN EN IEC 60747-17 (VDE 0884-17)
Application
• AC motor controls
• Power and solar inverters
• Uninterruptible Power Suppliers
• DC/DC converters
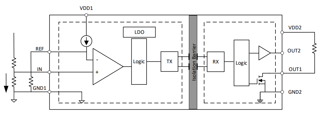
Functional Block Diagram


For more product information, please contact us.